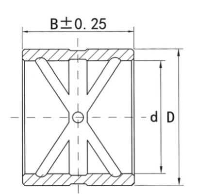
Shaft sleeve B series
Dimension and Parameters
Part No. :B 607038
Dimensions mm
d :60 + 0.186 +0.140
D :70 + 0.121 +0.102
B :38
Weight
kg :0.255


