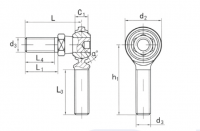
CM...Y,YS
-Add"S"for grease nipple,example:CM 6 YS,CML 6 YS.
Grease fittings not available for sizes marked"*"
-Load ratings apply only to rod ends without grease fittings,for load ratings with ftting,.please consult SDT.
| select | Inquiry | Part No. | Dimensions mm | Lord ratings | Weight | |||||||||
|---|---|---|---|---|---|---|---|---|---|---|---|---|---|---|
| Right hand | Left hand | d3 | C1 | d2 | h1 | L3 | L | L1 | L4 | a | KN | kg | ||
| UNF-3A | min | ≈ | ||||||||||||
| CM 3Y* | CML3Y* | 10-32 | 5.94 | 15.88 | 31.75 | 19.05 | 25.4 | 12.7 | 11.1 | 10 | 5.355 | 0.018 | ||
| CM4Y* | CML4Y* | 1/4-28 | 6.35 | 19.05 | 39.67 | 25.4 | 26.19 | 14.27 | 12.7 | 133 | 9.839 | 0.023 | ||
| CM 5Y* | CML5Y* | 5/16-24 | 7.92 | 22.23 | 47.63 | 31.75 | 30.96 | 17.45 | 15.06 | 11 | 15.91 | 0.045 | ||
| CM6Y | CML6Y | 3/8-24 | 9.12 | 25.4 | 49.23 | 31.75 | 39.67 | 23.01 | 20.62 | 11 | 22.542 | 0.068 | ||
| CM7Y | CML7Y | 7/16-20 | 10.31 | 28.58 | 53.98 | 34.93 | 44.45 | 26.97 | 23.8 | 10.5 | 28.223 | 0.109 | ||
| CM8Y | CML8Y | 1/2-20 | 11.5 | 33.32 | 61.93 | 38.1 | 50.8 | 25.58 | 25.4 | 10 | 37.087 | 0.159 | ||
| CM 10Y | CML10Y | 5/8-18 | 12.29 | 38.1 | 66.68 | 41.28 | 615 | 38.1 | 34.93 | 13 | 43.023 | 0.277 | ||
| CM 12Y | CML12Y | 3/4-16 | 15.06 | 44.45 | 73.03 | 44.45 | 76.2 | 46.02 | 41.28 | 12 | 63.193 | 0.467 | ||
