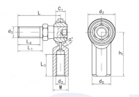
CF...Y,YS
-Add"S" for grease nipple,example:CF6 YS,CFL6 YS.
Grease fittings not available for sizes marked"*"
--Load ratings apply only to rod ends without grease fttings,for load ratings with fitting.please consult SDT.
| select | Inquiry | Part No. | Dimensions mm | Lord ratings | Weight | |||||||||||
|---|---|---|---|---|---|---|---|---|---|---|---|---|---|---|---|---|
| Right hand | Left hand | d3 | w | C1 | d2 | h1 | L3 | L1 | L4 | ds | a | KN | kg | |||
| UNF-2B | min | ≈ | ||||||||||||||
| CF3Y* | CFL3Y* | 10-32 | 7.92 | 5.94 | 1588 | 2697 | 127 | 25.4 | 12.7 | 111 | 10.31 | 10 | 9.427 | 0.023 | ||
| CF4Y | CFL4Y | 1/4-28 | 9.53 | 6.35 | 19.05 | 33.32 | 17.45 | 26.19 | 14.27 | 12.7 | 11.91 | 135 | 14.269 | 0.027 | ||
| CF 5Y | CFL5Y | 5/16-24 | 11.1 | 7.92 | 22.23 | 34.93 | 17.45 | 30.96 | 17.45 | 1506 | 12J | 11 | 17.009 | 0.05 | ||
| CF6Y | CFL6Y | 3/8-24 | 14.27 | 9.12 | 25.4 | 41.28 | 20.62 | 39.67 | 23.01 | 20.62 | 17.45 | 11 | 22.627 | 0.077 | ||
| CF7Y | CFL7Y | 7/16-20 | 15.88 | 10.31 | 28.58 | 46.02 | 23.8 | 44.45 | 26.97 | 23.8 | 19.05 | 10.5 | 28.4 | 0.122 | ||
| CF8Y | CFL8Y | 1/2-20 | 19.05 | 11.5 | 33.32 | 53.98 | 26.97 | 50.8 | 28.58 | 254 | 22.23 | 10 | 40.459 | 0.181 | ||
| CF 10Y | CFL10Y | 5/8-18 | 22.23 | 12.29 | 38.1 | 63.5 | 34.93 | 63.5 | 38.1 | 34.93 | 25.4 | 13 | 43.203 | 0.308 | ||
| CF 12Y | CFL12Y | 3/4-16 | 25.4 | 15.06 | 44.45 | 73.03 | 39.67 | 76.2 | 46.02 | 41.28 | 28.58 | 12 | 63.193 | 0.504 | ||
