GEC...HT
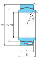
| select | Inquiry | Bearing number | Overall dimension(mm) | Rated load(kN) | Weight | ||||||||
|---|---|---|---|---|---|---|---|---|---|---|---|---|---|
| d | D | B | C | dk | rs min | r1s min | a° | live load | Static load | kg | |||
| GEC320HT | 320 | 440 | 160 | 135 | 380 | 1.1 | 3 | 4 | 9230 | 18460 | 78 | ||
| GEC340HT | 340 | 460 | 160 | 135 | 400 | 1.1 | 3 | 3 | 9720 | 19440 | 83 | ||
| GEC360HT | 360 | 480 | 160 | 135 | 420 | 1.1 | 3 | 3 | 10200 | 20400 | 87 | ||
| GEC380HT | 380 | 520 | 190 | 160 | 450 | 1.5 | 4 | 4 | 12960 | 25920 | 129 | ||
| GEC400HT | 400 | 540 | 190 | 160 | 470 | 1.5 | 4 | 3 | 13530 | 27060 | 135 | ||
| GEC420HT | 420 | 560 | 190 | 160 | 490 | 1.5 | 4 | 3 | 14110 | 28220 | 141 | ||
| GEC440HT | 440 | 600 | 218 | 185 | 520 | 1.5 | 4 | 3 | 17310 | 34620 | 196 | ||
| GEC460HT | 460 | 620 | 218 | 185 | 540 | 1.5 | 4 | 3 | 17980 | 35960 | 204 | ||
| GEC480HT | 480 | 650 | 230 | 195 | 565 | 2 | 5 | 3 | 19830 | 39660 | 239 | ||
| GEC500HT | 500 | 670 | 230 | 195 | 585 | 2 | 5 | 3 | 20530 | 41060 | 248 | ||
| GEC530HT | 530 | 710 | 243 | 205 | 620 | 2 | 5 | 3 | 22870 | 45740 | 294 | ||
| GEC560HT | 560 | 750 | 258 | 215 | 655 | 2 | 5 | 4 | 25340 | 50680 | 345 | ||
| GEC600HT | 600 | 800 | 272 | 230 | 700 | 2 | 5 | 3 | 28980 | 57960 | 413 | ||

