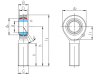
SAZP...S
Can not be relubricated.
Can supply other rod ends with different accuracy of thread.
For left-hand thread, suffix “L”is added to bearings number and suffix “LH" is added to thread sign,
e.g. SALZP12S 1/2- -20- 2ALH.
The rod and inner ring of the bearings is of stainless steel and the mark of the items has a letter“X” .That is SAZP...S/X...

