
SQD..
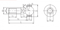
select | Inquiry | Bearing number | Dimensions | Static load ratings kN | Weight | ||||||||||
---|---|---|---|---|---|---|---|---|---|---|---|---|---|---|---|
d1 | d2 | l1 | l2 | L3 | L | S1 | C | D | rs | a° | kg | ||||
min | |||||||||||||||
SQD5 | M5 | 9 | 8 | 8 | 19 | 27.5 | 7 | 6 | 16 | 0.3 | 25 | 2 | 0.014 | ||
SQD6 | M6 | 10 | 11 | 8.8 | 23.8 | 33.5 | 8 | 6.75 | 18 | 0.3 | 25 | 3.2 | 0.021 | ||
SQD8 | M8 | 12 | 12 | 11.6 | 28.6 | 41 | 10 | 9 | 22 | 0.3 | 25 | 5.7 | 0.042 | ||
SQD10 | MlOxl.25 | 14 | 15 | 14.2 | 34.2 | 49 | 11 | 10.5 | 26 | 0.3 | 25 | 9.2 | 0.067 | ||
SQD12 | M12xl.25 | 17 | 17 | 15.1 | 38.1 | 55.1 | 15 | 12 | 30 | 0.5 | 25 | 14 | 0.108 | ||
SQD14 | M14xl.5 | 19 | 22 | 16.8 | 51.3 | 70.7 | 17 | 13.5 | 34 | 0.5 | 20 | 19 | 0.167 | ||
SQD16 | M16X1.5 | 22 | 23 | 18 | 54.5 | 76.3 | 19 | 15 | 38 | 0.5 | 20 | 26 | 0.238 | ||