HOME
ABOUT US
COMPANY PROFILE
CORPORATE CULTURE
COMPANY HONOR
FACTORY TOUR
PRODUCTION AND ENVIRONMENT
PRODUCTS
Radial Spherical Plain Bearings Requiring Maintenance
GE...E,ES,ES-2RS
GEC...XS,XS-2RS
GEG...E,ES,ES-2RS
GEEW...ES
GEEM...ES-2RS
GEF...ES
GE...XS/K
GEZ...ES,ES-2RS
GEWZ...ES,ES-2RS
GEGZ...HS/K
GEK..XS-2RS
GEBJ..S
GEFZ..S
GEBK..S
Radial Spherical Plain Bearings Maintenance-Free
GE...C
GEBJ..C
GEFZ..C
GE...N
GEFZ...T
GEH...HC,HCS
GEC...HC,HCS
GE...ET-2RS,XT-2RS
GEG...ET-2RS,XT-2RS
GE...ET/X ,XT-2RS
GEZ...ET-2RS
GEC(H)...XT ,XT-2RS
GEC...HT
GEH...HT
GE,GEC...XF/Q
GEH...XF/Q
GEH...HF/Q
Angular Contact Spherical Plain Bearing
GACZ..S
GAC..S
GAC..T
GAC..N
Thrust Spherical Plain Bearing
GX..S
GX..T
GX..N
Rod Ends
SI...E,ES
SA...E,ES
SAJ...
SIJ...
SIZJ..
SAZJ..
SIBP...S,S/B1,S/B2
SABP...S,S/B1,S/B2
SIZP...S
SAZP...S
SI...C,ET-2RS
SA...C,ET-2RS
SIJK...C,C/B1,C/B2
SA...C,ET-2RS
SIBP...N,N/B1,N/B2
SABP...N,N/B1,N/B2
SIZP...N
CF...,CF...S
CM...,CM...S
CF...T
CM...T
CF...Y,YS
CM...Y,YS
Rod Ends For Hydraulic Components
SK...E,ES
SF...ES
SFEW...ES
SIR...ES
SIRN...ES
SIGEW...ES,ES-D
SIQ...ES
SIA...ES
Ball Joint Rod Ends
SQZL..-RS
SQD..
SQ..-RS
SQY..-RS
SQG..-B5
Auto Parts and Non-standard Products
Shaft sleeve B series
U Parts
Spring clamp
CSI series bearing
CSI series bearing 1
CX series solid inlaid bearing
CX series solid inlaid bearing 2
CF series bimetallic composite bearing
CF series bimetallic composite bearing 2
SOLUTIONS
STEEL WORKING MACHINERY
MARBLE WORKING MACHINES
CRANES AND LIFTING EQUIPMENT
GARDENING MACHINERY
ALTERNATIVE ENERGY SECTOR
AGRICOLTURAL MACHINERY
EARTH MOVING MACHINERY
GEAR BOXES
PACKAGING MACHINERY
QUALITY ASSURANCE
PRODUCTION EQUIPMENT
INSPECTION EQUIPMENT
TECHNOLOGY
NEWS
COMPANY NEWS
INDUSTRY NEWS
Header menu
ISO/TS16949 & ISO9001
Contacts
Zh-CN
HOME
ABOUT US
COMPANY PROFILE
CORPORATE CULTURE
COMPANY HONOR
FACTORY TOUR
PRODUCTION AND ENVIRONMENT
PRODUCTS
Radial Spherical Plain Bearings Requiring Maintenance
GE...E,ES,ES-2RS
GEC...XS,XS-2RS
GEG...E,ES,ES-2RS
GEEW...ES
GEEM...ES-2RS
GEF...ES
GE...XS/K
GEZ...ES,ES-2RS
GEWZ...ES,ES-2RS
GEGZ...HS/K
GEK..XS-2RS
GEBJ..S
GEFZ..S
GEBK..S
Radial Spherical Plain Bearings Maintenance-Free
GE...C
GEBJ..C
GEFZ..C
GE...N
GEFZ...T
GEH...HC,HCS
GEC...HC,HCS
GE...ET-2RS,XT-2RS
GEG...ET-2RS,XT-2RS
GE...ET/X ,XT-2RS
GEZ...ET-2RS
GEC(H)...XT ,XT-2RS
GEC...HT
GEH...HT
GE,GEC...XF/Q
GEH...XF/Q
GEH...HF/Q
Angular Contact Spherical Plain Bearing
GACZ..S
GAC..S
GAC..T
GAC..N
Thrust Spherical Plain Bearing
GX..S
GX..T
GX..N
Rod Ends
SI...E,ES
SA...E,ES
SAJ...
SIJ...
SIZJ..
SAZJ..
SIBP...S,S/B1,S/B2
SABP...S,S/B1,S/B2
SIZP...S
SAZP...S
SI...C,ET-2RS
SA...C,ET-2RS
SIJK...C,C/B1,C/B2
SA...C,ET-2RS
SIBP...N,N/B1,N/B2
SABP...N,N/B1,N/B2
SIZP...N
CF...,CF...S
CM...,CM...S
CF...T
CM...T
CF...Y,YS
CM...Y,YS
Rod Ends For Hydraulic Components
SK...E,ES
SF...ES
SFEW...ES
SIR...ES
SIRN...ES
SIGEW...ES,ES-D
SIQ...ES
SIA...ES
Ball Joint Rod Ends
SQZL..-RS
SQD..
SQ..-RS
SQY..-RS
SQG..-B5
Auto Parts and Non-standard Products
Shaft sleeve B series
U Parts
Spring clamp
CSI series bearing
CSI series bearing 1
CX series solid inlaid bearing
CX series solid inlaid bearing 2
CF series bimetallic composite bearing
CF series bimetallic composite bearing 2
SOLUTIONS
STEEL WORKING MACHINERY
MARBLE WORKING MACHINES
CRANES AND LIFTING EQUIPMENT
GARDENING MACHINERY
ALTERNATIVE ENERGY SECTOR
AGRICOLTURAL MACHINERY
EARTH MOVING MACHINERY
GEAR BOXES
PACKAGING MACHINERY
QUALITY ASSURANCE
PRODUCTION EQUIPMENT
INSPECTION EQUIPMENT
TECHNOLOGY
NEWS
COMPANY NEWS
INDUSTRY NEWS
Product search
Home
>
SDT spherical plain bearing
>
Thrust Spherical Plain Bearing
> GX..T
By Keyword
By Part Number
d:
D:
B:
GX..T
Send Inquiry
PDF
Description
select
Inquiry
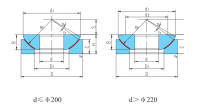
轴承型号
外形尺寸mm
额定载荷kN
重量
Bearing number
d
D
B
C
H
dk
S
d1
d2
D1
rsr
1s
min
a°
动载荷
静载荷
kg
max
min
GX10T
10
30
7.5
7
9.5
32
7
27.5
15.5
0.6
5
45
120
0.036
GX12T
12
35
9.5
9.3
13
38
8
32
18
0.6
5
65
165
0.072
GX15T
15
42
11
10.8
15
46
10
39
22.5
0.6
6
95
235
0.108
GX17T
17
47
11.8
11.2
16
52
11
43.5
27
0.6
4
110
275
0.137
GX20T
20
55
14.5
13.8
20
60
12.5
50
31
1
5
150
380
0.246
GX25T
25
62
16.5
16.7
22.5
68
14
58.5
34.5
1
5
245
600
0.415
GX30T
30
75
19
19
26
82
17.5
70
42
1
5
335
820
0.614
GX35T
35
90
22
20.7
28
98
22
84
50.5
1
5
490
1200
0.973
GX40T
40
105
27
21.5
32
114
24.5
97
59
1
6
675
1640
1.59
GX45T
45
120
31
25.5
36.5
128
27.5
110
67
1
6
915
2240
2.24
GX50T
50
130
33
30.5
42.5
139
30
120
70
1
6
1040
2550
3.14
GX60T
60
150
37
34
45
160
35
140
84
1
6
1360
3470
4.63
GX70T
70
160
42
36.5
50
176
35
153
94.5
1
3
1640
4180
5.37
GX80T
80
180
43.5
38
50
197
42.5
172
107.5
1
4
2030
5180
6.91
GX100I
100
210
51
46
59
222
45
198
127
1.1
4
2230
5940
11
GX120T
120
230
53.5
50
64
250
52.5
220
145
1.1
3
2610
6960
14
GX140T
140
260
61
54
72
274
52.5
243
177
1.5
3
3120
8300
19.1
GX160T
160
290
66
58
77
313
65
271
200
1.5
2
3380
9560
25
GX180I
180
320
74
62
86
340
67.5
299
225
1.5
4
3910
11050
32.8
GX200I
200
340
80
66
87
365
70
320
247
1.5
1
4950
13990
35.4
GX220T
220
370
82
67
97
388
75
350
289
265
1.5
7
4640
13110
44.7
GX240T
240
400
87
73
103
420
77.5
382
314
294
1.5
6
5500
15560
56.9
GX260T
260
430
95
80
115
449
82.5
409
336
317
1.5
7
6190
17510
71.3
GX280I
280
460
100
85
110
480
80
445
366
337
3
4
8280
23400
84.7
GX300T
300
480
100
90
110
490
80
460
388
356
3
3.5
9010
25480
88.9
GX320T
320
520
105
91
116
540
95
500
405
380
4
4
11360
33260
111
GX340T
340
540
105
91
116
550
95
510
432
380
4
4
11570
33880
117
GX360I
360
560
115
95
125
575
95
535
452
400
4
4
12850
37630
132