GX..N
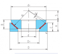
| select | Inquiry | Bearing Number | Overall dimension(mm) | Rated load(kN) | Weight | |||||||||||
|---|---|---|---|---|---|---|---|---|---|---|---|---|---|---|---|---|
| d | D | B | C | H | dk | S | d1 | D1 | rsr1s min | a° | live load | Static load | kg | |||
| max | min | |||||||||||||||
| GX17N | 17 | 47 | 11.8 | 11.2 | 16 | 52 | 11 | 43.5 | 27 | 0.6 | 4 | 32 | 52 | 0.137 | ||
| GX20N | 20 | 55 | 14.5 | 13.8 | 20 | 60 | 12.5 | 50 | 31 | 1 | 5 | 44 | 71 | 0.246 | ||
| GX25N | 25 | 62 | 16.5 | 16.7 | 22.5 | 68 | 14 | 58.5 | 34.5 | 1 | 5 | 65 | 104 | 0.415 | ||
| GX30N | 30 | 75 | 19 | 19 | 26 | 82 | 17.5 | 70 | 42 | 1 | 5 | 88 | 141 | 0.614 | ||
| GX35N | 35 | 90 | 22 | 20.7 | 28 | 98 | 22 | 84 | 50.5 | 1 | 5 | 129 | 207 | 0.973 | ||
| GX40N | 40 | 105 | 27 | 21.5 | 32 | 114 | 24.5 | 97 | 59 | 1 | 6 | 169 | 270 | 1.59 | ||
| GX45N | 45 | 120 | 31 | 25.5 | 36.5 | 128 | 27.5 | 110 | 67 | 1 | 6 | 230 | 368 | 2.24 | ||
| GX50N | 50 | 130 | 33 | 30.5 | 42.5 | 139 | 30 | 120 | 70 | 1 | 6 | 262 | 420 | 3.14 | ||
| GX60N | 60 | 150 | 37 | 34 | 45 | 160 | 35 | 140 | 84 | 1 | 6 | 374 | 599 | 4.63 | ||
| GX70N | 70 | 160 | 42 | 36.5 | 50 | 176 | 35 | 153 | 94.5 | 1 | 3 | 451 | 722 | 5.37 | ||
| GX80N | 80 | 180 | 43.5 | 38 | 50 | 197 | 42.5 | 172 | 107.5 | 1 | 4 | 558 | 893 | 6.91 | ||
| GX100N | 100 | 210 | 51 | 46 | 59 | 222 | 45 | 198 | 127 | 1.1 | 4 | 717 | 1140 | 11 | ||
| GX120N | 120 | 230 | 53.5 | 50 | 64 | 250 | 52.5 | 220 | 145 | 1.1 | 3 | 839 | 1340 | 14 | ||

