
GEBK..S
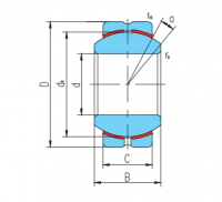
select | Inquiry | Bearing number | Overall dimension(mm) | Rated load(kN) | Weight | ||||||||
---|---|---|---|---|---|---|---|---|---|---|---|---|---|
d | D | B | C | dk | rs min | r1s min | a° | live load | Static load | kg | |||
GEBK5S | 5 | 16 | 8 | 6 | 11.112 | 0.3 | 0.3 | 13 | 3.3 | 7.8 | 0.009 | ||
GEBK6S | 6 | 18 | 9 | 6.75 | 12.7 | 0.3 | 0.3 | 13 | 4.3 | 9.8 | 0.013 | ||
GEBK8S | 8 | 22 | 12 | 9 | 15.88 | 0.3 | 0.3 | 14 | 6.8 | 16 | 0.024 | ||
GEBK10S | 10 | 26 | 14 | 10.5 | 19.05 | 0.3 | 0.6 | 14 | 10 | 23 | 0.039 | ||
GEBK12S | 12 | 30 | 16 | 12 | 22.23 | 0.3 | 0.6 | 13 | 13 | 31 | 0.058 | ||
GEBK14S | 14 | 34 | 19 | 13.5 | 25.4 | 0.3 | 0.6 | 16 | 17 | 40 | 0.084 | ||
GEBK16S | 16 | 38 | 21 | 15 | 28.58 | 0.3 | 0.6 | 15 | 21 | 50 | 0.118 | ||
GEBK18S | 18 | 42 | 23 | 16.5 | 31.75 | 0.6 | 0.6 | 15 | 26 | 61 | 0.16 | ||
GEBK20S | 20 | 46 | 25 | 18 | 34.93 | 0.6 | 0.6 | 15 | 31 | 73 | 0.21 | ||
GEBK22S | 22 | 50 | 28 | 20 | 38.1 | 0.6 | 0.6 | 15 | 38 | 88 | 0.26 | ||
GEBK25S | 25 | 56 | 31 | 22 | 42.86 | 0.6 | 0.6 | 15 | 47 | 110 | 0.39 | ||
GEBK28S | 28 | 62 | 35 | 25 | 47.63 | 0.6 | 0.6 | 15 | 59 | 138 | 0.5 | ||
GEBK30S | 30 | 66 | 37 | 25 | 50.8 | 0.6 | 0.6 | 17 | 63 | 148 | 0.61 | ||