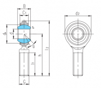
SAZJ..
Can supply other rod ends with different accuracy of thread.
Can supply other rod ends with Sliding contact surfaces Steel / PTFE composite material or Steel / PTFE fabric.
For left-hand thread,suffix “L”is added to bearings number and suffix“LH" is added to thread sign,
e.g. SALZJ12 1/2- -20- -2ALH.
The rod and inner ring of the bearings is of stainless steel and the mark of the items has a letter“X” .That is SAZ.../X

