HOME
ABOUT US
COMPANY PROFILE
CORPORATE CULTURE
COMPANY HONOR
FACTORY TOUR
PRODUCTION AND ENVIRONMENT
PRODUCTS
Radial Spherical Plain Bearings Requiring Maintenance
GE...E,ES,ES-2RS
GEC...XS,XS-2RS
GEG...E,ES,ES-2RS
GEEW...ES
GEEM...ES-2RS
GEF...ES
GE...XS/K
GEZ...ES,ES-2RS
GEWZ...ES,ES-2RS
GEGZ...HS/K
GEK..XS-2RS
GEBJ..S
GEFZ..S
GEBK..S
Radial Spherical Plain Bearings Maintenance-Free
GE...C
GEBJ..C
GEFZ..C
GE...N
GEFZ...T
GEH...HC,HCS
GEC...HC,HCS
GE...ET-2RS,XT-2RS
GEG...ET-2RS,XT-2RS
GE...ET/X ,XT-2RS
GEZ...ET-2RS
GEC(H)...XT ,XT-2RS
GEC...HT
GEH...HT
GE,GEC...XF/Q
GEH...XF/Q
GEH...HF/Q
Angular Contact Spherical Plain Bearing
GACZ..S
GAC..S
GAC..T
GAC..N
Thrust Spherical Plain Bearing
GX..S
GX..T
GX..N
Rod Ends
SI...E,ES
SA...E,ES
SAJ...
SIJ...
SIZJ..
SAZJ..
SIBP...S,S/B1,S/B2
SABP...S,S/B1,S/B2
SIZP...S
SAZP...S
SI...C,ET-2RS
SA...C,ET-2RS
SIJK...C,C/B1,C/B2
SA...C,ET-2RS
SIBP...N,N/B1,N/B2
SABP...N,N/B1,N/B2
SIZP...N
CF...,CF...S
CM...,CM...S
CF...T
CM...T
CF...Y,YS
CM...Y,YS
Rod Ends For Hydraulic Components
SK...E,ES
SF...ES
SFEW...ES
SIR...ES
SIRN...ES
SIGEW...ES,ES-D
SIQ...ES
SIA...ES
Ball Joint Rod Ends
SQZL..-RS
SQD..
SQ..-RS
SQY..-RS
SQG..-B5
Auto Parts and Non-standard Products
Shaft sleeve B series
U Parts
Spring clamp
CSI series bearing
CSI series bearing 1
CX series solid inlaid bearing
CX series solid inlaid bearing 2
CF series bimetallic composite bearing
CF series bimetallic composite bearing 2
SOLUTIONS
STEEL WORKING MACHINERY
MARBLE WORKING MACHINES
CRANES AND LIFTING EQUIPMENT
GARDENING MACHINERY
ALTERNATIVE ENERGY SECTOR
AGRICOLTURAL MACHINERY
EARTH MOVING MACHINERY
GEAR BOXES
PACKAGING MACHINERY
QUALITY ASSURANCE
PRODUCTION EQUIPMENT
INSPECTION EQUIPMENT
TECHNOLOGY
NEWS
COMPANY NEWS
INDUSTRY NEWS
Header menu
ISO/TS16949 & ISO9001
Contacts
Zh-CN
HOME
ABOUT US
COMPANY PROFILE
CORPORATE CULTURE
COMPANY HONOR
FACTORY TOUR
PRODUCTION AND ENVIRONMENT
PRODUCTS
Radial Spherical Plain Bearings Requiring Maintenance
GE...E,ES,ES-2RS
GEC...XS,XS-2RS
GEG...E,ES,ES-2RS
GEEW...ES
GEEM...ES-2RS
GEF...ES
GE...XS/K
GEZ...ES,ES-2RS
GEWZ...ES,ES-2RS
GEGZ...HS/K
GEK..XS-2RS
GEBJ..S
GEFZ..S
GEBK..S
Radial Spherical Plain Bearings Maintenance-Free
GE...C
GEBJ..C
GEFZ..C
GE...N
GEFZ...T
GEH...HC,HCS
GEC...HC,HCS
GE...ET-2RS,XT-2RS
GEG...ET-2RS,XT-2RS
GE...ET/X ,XT-2RS
GEZ...ET-2RS
GEC(H)...XT ,XT-2RS
GEC...HT
GEH...HT
GE,GEC...XF/Q
GEH...XF/Q
GEH...HF/Q
Angular Contact Spherical Plain Bearing
GACZ..S
GAC..S
GAC..T
GAC..N
Thrust Spherical Plain Bearing
GX..S
GX..T
GX..N
Rod Ends
SI...E,ES
SA...E,ES
SAJ...
SIJ...
SIZJ..
SAZJ..
SIBP...S,S/B1,S/B2
SABP...S,S/B1,S/B2
SIZP...S
SAZP...S
SI...C,ET-2RS
SA...C,ET-2RS
SIJK...C,C/B1,C/B2
SA...C,ET-2RS
SIBP...N,N/B1,N/B2
SABP...N,N/B1,N/B2
SIZP...N
CF...,CF...S
CM...,CM...S
CF...T
CM...T
CF...Y,YS
CM...Y,YS
Rod Ends For Hydraulic Components
SK...E,ES
SF...ES
SFEW...ES
SIR...ES
SIRN...ES
SIGEW...ES,ES-D
SIQ...ES
SIA...ES
Ball Joint Rod Ends
SQZL..-RS
SQD..
SQ..-RS
SQY..-RS
SQG..-B5
Auto Parts and Non-standard Products
Shaft sleeve B series
U Parts
Spring clamp
CSI series bearing
CSI series bearing 1
CX series solid inlaid bearing
CX series solid inlaid bearing 2
CF series bimetallic composite bearing
CF series bimetallic composite bearing 2
SOLUTIONS
STEEL WORKING MACHINERY
MARBLE WORKING MACHINES
CRANES AND LIFTING EQUIPMENT
GARDENING MACHINERY
ALTERNATIVE ENERGY SECTOR
AGRICOLTURAL MACHINERY
EARTH MOVING MACHINERY
GEAR BOXES
PACKAGING MACHINERY
QUALITY ASSURANCE
PRODUCTION EQUIPMENT
INSPECTION EQUIPMENT
TECHNOLOGY
NEWS
COMPANY NEWS
INDUSTRY NEWS
Product search
Home
>
SDT spherical plain bearing
>
Radial Spherical Plain Bearings Maintenance-Free
> GEH...HT
By Keyword
By Part Number
d:
D:
B:
GEH...HT
Send Inquiry
PDF
Description
select
Inquiry
Bearing Number
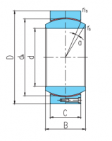
Overall dimension(mm)
Rated load(kN)
Weight
d
D
B
C
H
dk
S
d1
D1
rsr
1s
min
a°
live load
Static load
kg
max
min
GEH100HT
100
150
71
67
135
1
1
2
1350
3250
5.07
GEH110HT
110
160
78
74
145
1
1
2
1600
3860
6.21
GEH120HT
120
180
85
80
160
1
1
2
1920
4600
8.87
GEH140HT
140
210
100
95
185
1
1
2
2630
6320
14.6
GEH160HT
160
230
115
109
210
1
1
2
3430
8240
18.6
GEH180HT
180
260
128
122
240
1.1
1.1
2
4390
10540
26.7
GEH200HT
200
290
140
134
260
1.1
1.1
2
5220
12540
37.1
GEH220HT
220
320
155
148
290
1.1
1.1
2
6430
15450
49.4
GEH240HT
240
340
170
162
310
1.1
1.1
2
7530
18070
57.9
GEH260HT
260
370
185
175
340
1.1
1.1
2
8920
21420
75.2
GEH280HT
280
400
200
190
370
1.1
1.1
2
10540
25300
96
GEH300HT
300
430
212
200
390
1.1
1.1
2
11700
28080
117
GEH320HT
320
460
230
218
414
1.1
3
2
16240
32480
148
GEH340HT
340
480
243
230
434
1.1
3
2
17960
35920
163
GEH360HT
360
520
258
243
474
1.1
4
2
20730
41460
213
GEH380HT
380
540
272
258
494
1.5
4
2
22940
45880
236
GEH400HT
400
580
280
265
514
1.5
4
2
24510
49020
290
GEH420HT
420
600
300
280
534
1.5
4
2
26910
53920
319
GEH440HT
440
630
315
300
574
1.5
4
2
30990
61980
379
GEH460HT
460
650
325
308
593
1.5
4
2
32870
65740
404
GEH480HT
480
680
340
320
623
2
5
2
35880
71760
463
GEH500HT
500
710
355
335
643
2
5
2
38770
77540
529
GEH530HT
530
750
375
355
673
2
5
2
43000
86000
620
GEH560HT
560
800
400
380
723
2
5
2
49450
98900
770
GEH600HT
600
850
425
400
773
2
6
2
55650
111300
903
GEH630HT
630
900
450
425
813
3
6
2
62190
124380
1092
GEH670HT
670
950
475
450
862
3
6
2
69820
139640
1270
GEH710HT
710
1000
500
475
912
3
6
2
77970
155940
1465
GEH750HT
750
1060
530
500
972
3
6
2
87480
174960
1750
GEH800HT
800
1120
565
530
1022
3
6
2
97490
194980
2029