CF...,CF...S
Description
-Add"S"for grease nipple,example:CF 6 S,CFL6 S. Grease fittings not available for sizes marked"*"
-Load ratings apply only to rod ends without grease fttings,for load ratings with fitting,please consult SDT.
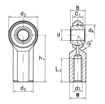
Dimension and Parameters
Part No.
Right hand :CF 5*
Left hand :CFL5*
Dimensions mm
d :7.938
d3
UNF-2B :5/16-24
B :11.1
C1 :7.92
d2 :22.23
d5 :12.7
h1 :34.93
L3
min :17.45
dk :15.88
w :11.1
a :11
Lord ratings
KN :17.009
Weight
kg :0.036


