CM...Y,YS
Description
-Add"S"for grease nipple,example:CM 6 YS,CML 6 YS.
Grease fittings not available for sizes marked"*"
-Load ratings apply only to rod ends without grease fittings,for load ratings with ftting,.please consult SDT.
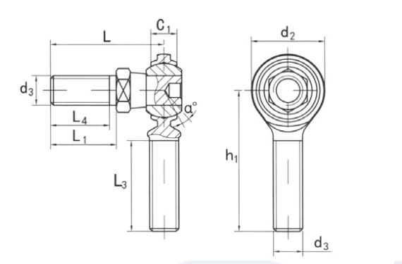
Dimension and Parameters
Part No.
Right hand :CM8Y
Left hand :CML8Y
Dimensions mm
d3
UNF-3A :1/2-20
C1 :11.5
d2 :33.32
h1 :61.93
L3
min :38.1
L :50.8
L1 :25.58
L4 :25.4
a
≈ :10
Lord ratings
KN :37.087
Weight
kg :0.159

