GEBJ..C
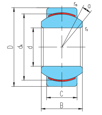
Dimension and Parameters
Bearing number :GEBJ10C
Overall dimension(mm)
d :10
D :22
B :14
C :10.5
dk :19.05
rs min :0.3
r1s min :0.6
a° :13
Rated load(kN)
live load :18
Static load :45
Weight
kg :0.027


