GEEM...ES-2RS
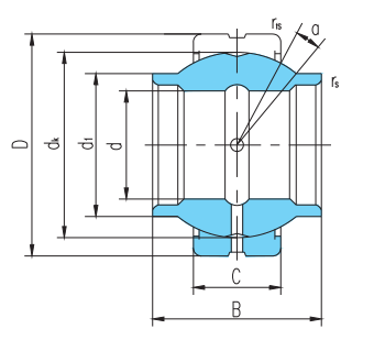
Dimension and Parameters
Bearing number :GEEM25ES-2RS
Overall dimension(mm)
d :25
D :42
B :29
C :16
d1
max :29
dk :35.5
rs min :0.3
r1s min :0.6
a° :4
Rated load(kN)
live load :48
Static load :240
Weight
kg :0.13


