GEFZ..C
Dimension and Parameters
Bearing number :GEFZ25C
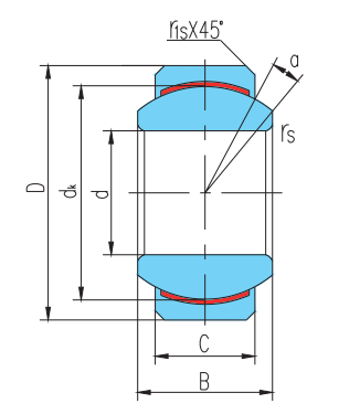
Overall dimension(mm)
d :25.4
D :44.45
B :25.4
C :20.24
dk :38.1
rs min :0.6
r1s min :1.12
a° :10
Rated load(kN)
live load :69.4
Static load :173.5
Weight
kg :0.173


