
GEFZ...T
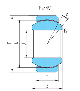
Dimension and Parameters
Bearing number :GEFZ6T
Overall dimension(mm)
d :6.35
D :16.67
B :8.71
C :635
dk :12.7
rs min :0.3
r1s min :0.56
a° :13.5
Rated load(kN)
live load :10
Static load :15
Weight
kg :0.010