GEH...XF/Q
Dimension and Parameters
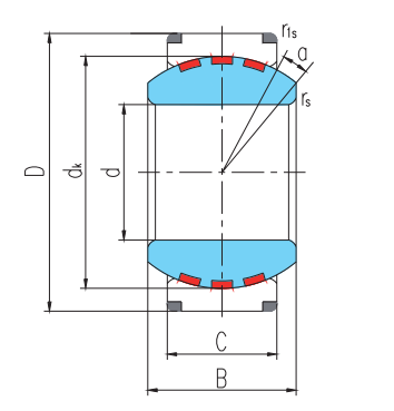
Bearing number :GEH180XF/Q
Overall dimension(mm)
d :180
D :260
B :128
C :122
dk :240
rs min :1.1
r1s min :1.1
a° :2
Rated load(kN)
live load :2920
Static load :5840
Weight
kg :25.9


