GEH...HF/Q
Dimension and Parameters
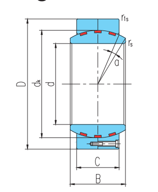
Bearing Number :GEH630HF/Q
Overall dimension(mm)
d :630
D :900
B :450
C :425
dk :813
rs min :3
r1s min :6
a° :2
Rated load(kN)
live load :34550
Static load :69100
Weight
kg :1072


