GEK..XS-2RS
Dimension and Parameters
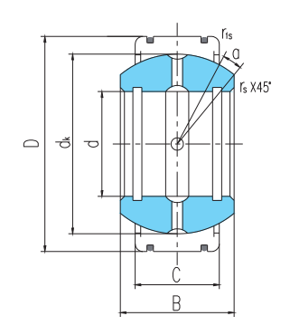
Bearing number
:GEK50XS-2RS
Overall dimension(mm)
d :50
D :110
B :80
C :58
dk :100
rs min :1
r1s min :1
a° :17
Rated load(kN)
live load :493
Static load :2450
Weight
kg :3.81


