GEZ...ET-2RS
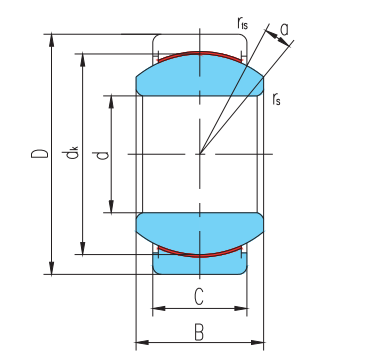
Dimension and Parameters
Bearing number :GEZ95ET-2RS
Overall dimension(mm)
d :95.25
D :149.225
B :83.337
C :71.425
dk :137
rs min :1
r1s min :1
a° :6
Rated load(kN)
live load :1460
Static load :3520
Weight
kg :5.8


