GX..N
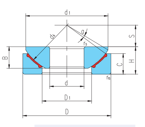
Dimension and Parameters
Bearing Number :GX120N
Overall dimension(mm)
d :120
D :230
B :53.5
C :50
H :64
dk :250
S :52.5
d1
max :220
D1
min :145
rsr1s min :1.1
a° :3
Rated load(kN)
live load :839
Static load :1340
Weight
kg :14


