
GX..S
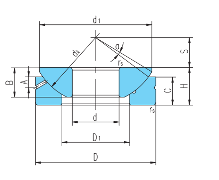
Dimension and Parameters
Bearing Number :GX160S
Overall dimension(mm)
d :160
D :290
B :66
C :58
H :77
dk :313
S :65
d1
max :271
D1
min :200
A :23
rsr1s min :1.5
a° :2
Rated load(kN)
live load :2100
Static load :10440
Weight
kg :25