SAZJ..
Description
Can supply other rod ends with different accuracy of thread.
Can supply other rod ends with Sliding contact surfaces Steel / PTFE composite material or Steel / PTFE fabric.
For left-hand thread,suffix “L”is added to bearings number and suffix“LH" is added to thread sign,
e.g. SALZJ12 1/2- -20- -2ALH.
The rod and inner ring of the bearings is of stainless steel and the mark of the items has a letter“X” .That is SAZ.../X
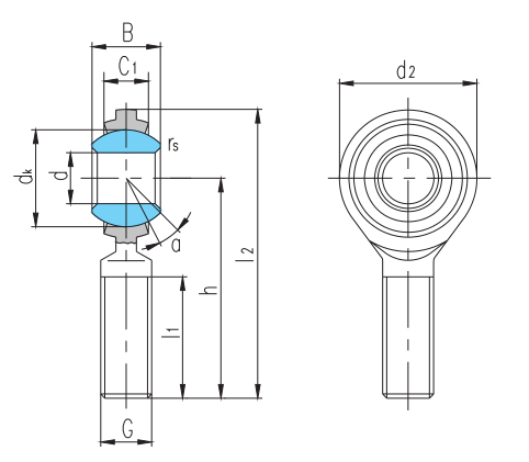
Dimension and Parameters
Bearing number :SAZJ9
Dimension mm
d :9.53
B :12.7
dk :18.26
C1
max :9.12
d2 :25.4
G :3/8-24
h :49.23
l1
min :31.75
l2 :61.93
rs min :0.6
a° :11
load rating kN
dynamic load :11
static load :16
Weight
kg :0.050


