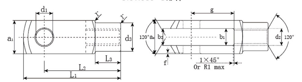
Clevises
Dimension and Parameters
Bearing number :SG12x24/B2
Dimensions
d1
H9 :12
g
±0.5 :24
a1
h11 :24
a2
+0.30 -0.16 :24
b1
B13 :12
b2 :12 +0.70 +0.15
d2 :M12x L25
d3
±0.3 :20
f
±0.2 :0.5
L1
±0.5 :62
L2 :48±0.4
L3
±0.2 :18
r :0.5
Weight
kg :0.121


