SIA...ES
Description
Can supply rod ends with maintenance-free spherical plain bearing.
For left-hand thread,suffix “L" is added to bearings number and thread sign,e.g.SILA40ES M39x3L-6H.
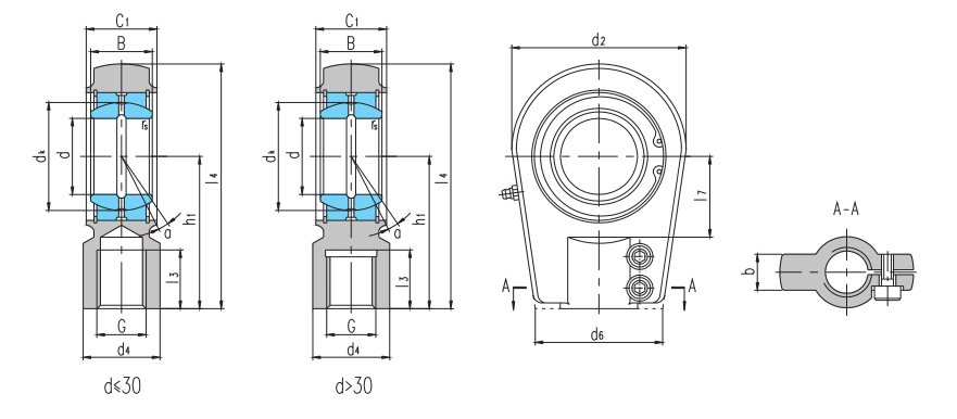
Dimension and Parameters
Bearing number :SIA120ES
Dimension mm
d :120
B :85
dk :160
C1 :90
d2 :340
G
6H :M150x4
h1 :360
l3 :192
l4 :540
l7 :140
d4 :210
d6 :240
b :85
rs :1
a° :6
load rating kN
dynamic load :950
static load :2900
Screw :M24x85
Weight
kg :75


