SIBP...S,S/B1,S/B2
Description
Can supply other rod ends with different pitch or accuracy
of thread.
For left-hand thread,suffix “L”is added to bearings number and thread sign,e.g. SILBP20S M20x1.5L- -6H.
The rod and inner ring of the bearings is of stainless steel and the mark of the items has a letter“X” .That is SIBP...S/X.
85
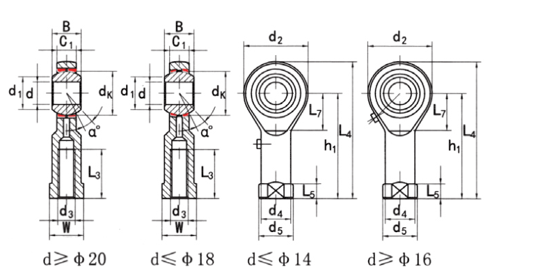
Dimension and Parameters
Bearing number :SIBP10S
Dimension mm
d :10
d3
6H :MI0x1.5
B :14
C1 :10.5
l3
min :20
w :17
d2 :26
d1 :129
h1 :43
l7
min :13
l4 :56
l5 :6.5
d4 :15
d5 :19
dk :1905
a :13
load rating kN
dynamic load :10
static load :14.5
Weight
kg :0.077


