SIJK...C,C/B1,C/B2
Description
Cansupplyotherrodendswithdifferentpitchor
accuracy of thread.
For left-hand thread, suffix “L”is added to bearings number and thread sign, e.g. SILJK20C M20x1.5L- 6H.
The rod and inner ring of the bearings is of stainless steel and the mark of the items has a letter“ X”.That is SIJK...C/X..
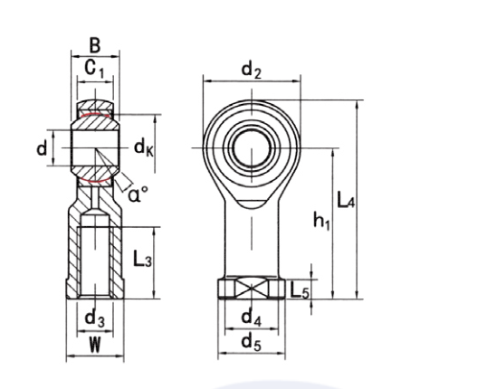
Dimension and Parameters
Bearing number :SIJK16C
Dimension mm
d :16
d3
6H :M16x2.0
B :21
C1 :15
l3
min :28
w :22
d2 :42
h1 :64
L4 :85
L5 :8
d4 :22
d5 :27
dk :28.575
a :15
load rating kN
dynamic load :28.5
static load :39
Weight
kg :0.22


