SIQ...ES
Description
No relubrication facility.
Can only be relubricated through the rod end housing.Rod end is made of carbon steel.
Can supply rod ends with maintenance-free spherical plain bearing.
For left-hand thread,suffix "L” is added to bearings number and thread sign,e.g.SILQ40ES M27×2L-6H.
Dimension and Parameters
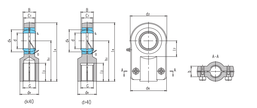
Bearing number :SIQ30ES
Dimension mm
d :30
B :22
dk :40.7
C1 :19
d2 :80
G
6H :M20xl.5
h1 :85
l3 :29
l4 :125
l7 :35
d4 :36
d6 :77
b :19
rs :0.6
a° :6
load rating kN
dynamic load :62
static load :108
Screw :M10x20
Weight
kg :1.25


