
SIR...ES
Description
Rod end is made of carbon steel.
Can supply rod ends with maintenance free spherical plain bearing.
For left-hand thread, suffix “L”is added to bearings number and thread sign, e.g. SILR40ES M35x1.5L- -6H.
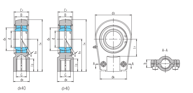
Dimension and Parameters
Bearing number :SIR60ES
Dimension mm
d :60
B :44
dk :80
C1 :50
d2 :130
G
6H :M58xl.5
h1 :130
l3 :59
l4 :200
l7 :65
d4 :75
d6 :120
b :46
rs :1
a° :6
load rating kN
dynamic load :245
static load :400
Screw :M16x45
Weight
kg :6.49