SK...E,ES
Description
No relubrication facility.
Can only be relubricated through the rod end housing.
Can supply rod ends with maintenance-free spherical plain bearing.
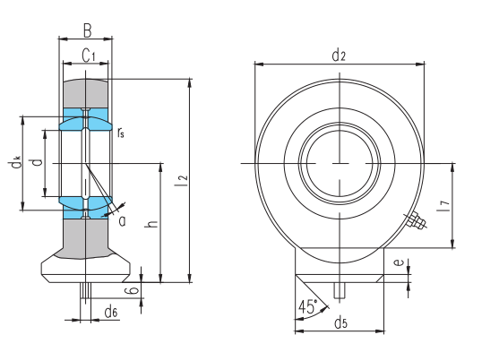
Dimension and Parameters
Bearing number :SK40ES
Dimension mm
d :40
B :28
dk :53
C1 :23
d2 :92
h :69
l2 :115
l7 :48
d5 :52
d6 :4
e :5
rs :0.6
a° :7
load rating kN
dynamic load :99
static load :156
Weight
kg :1.4


