
SQD..
Dimension and Parameters
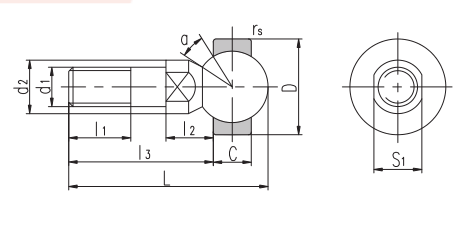
Bearing number :SQD10
Dimensions
d1 :MlOxl.25
d2 :14
l1 :15
l2 :14.2
L3 :34.2
L :49
S1 :11
C :10.5
D :26
rs
min :0.3
a° :25
Static load ratings kN :9.2
Weight
kg :0.067