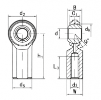
CF...,CF...S
-Add"S"for grease nipple,example:CF 6 S,CFL6 S. Grease fittings not available for sizes marked"*"
-Load ratings apply only to rod ends without grease fttings,for load ratings with fitting,please consult SDT.
| select | Inquiry | Part No. | Dimensions mm | Lord ratings | Weight | |||||||||||
|---|---|---|---|---|---|---|---|---|---|---|---|---|---|---|---|---|
| Right hand | Left hand | d | d3 | B | C1 | d2 | d5 | h1 | L3 | dk | w | a | KN | kg | ||
| UNF-2B | min | |||||||||||||||
| CF3* | CFL3* | 4.826 | 10-32 | 7.92 | 5.94 | 15.88 | 10.31 | 26.97 | 12.7 | 11.1 | 7.92 | 10 | 9.247 | 0.018 | ||
| CF4* | CFL4* | 6.35 | 1/4-28 | 9.53 | 6.35 | 19.05 | 11.91 | 33.32 | 17.45 | 12.7 | 9.53 | 13.5 | 14.269 | 0.023 | ||
| CF 5* | CFL5* | 7.938 | 5/16-24 | 11.1 | 7.92 | 22.23 | 12.7 | 34.93 | 17.45 | 15.88 | 11.1 | 11 | 17.009 | 0.036 | ||
| CF6 | CFL6 | 9.525 | 3/8-24 | 12.7 | 9.12 | 25.4 | 17.45 | 41.28 | 20.62 | 18.26 | 14.27 | 11 | 22.627 | 0.059 | ||
| CF7 | CFL7 | 11.113 | 7/16-20 | 14.27 | 10.31 | 28.58 | 19.05 | 46.02 | 23.8 | 20.62 | 15.88 | 10.5 | 28.4 | 0.082 | ||
| CF8 | CFL8 | 12.7 | V2-20 | 15.88 | 11.5 | 33.32 | 22.23 | 53.98 | 26.97 | 218 | 19.05 | 10 | 40.459 | 0.132 | ||
| CF 10 | CFL10 | 15.875 | 5/8-18 | 19.05 | 12.29 | 38.1 | 25.4 | 63.5 | 34.93 | 28.58 | 22.23 | 13 | 43.203 | 0.195 | ||
| CF 12 | CFL12 | 19.05 | 3/4-16 | 22.23 | 15.06 | 44.45 | 28.58 | 73.03 | 39.67 | 33.32 | 25.4 | 12 | 63.193 | 0.295 | ||

