GE,GEC...XF/Q
Dimension and Parameters
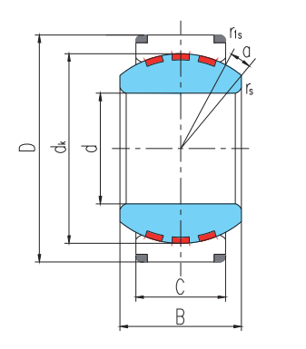
轴承型号 :GEC420XF/Q
外形尺寸mm
d :420
D :560
B :190
C :160
dk :490
rs min :1.5
r1s min :4
a° :3
额定载荷kN
动载荷 :7840
静载荷 :15680
重量
kg :137


