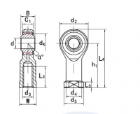
SIJK...C,C/B1,C/B2
Cansupplyotherrodendswithdifferentpitchor
accuracy of thread.
For left-hand thread, suffix “L”is added to bearings number and thread sign, e.g. SILJK20C M20x1.5L- 6H.
The rod and inner ring of the bearings is of stainless steel and the mark of the items has a letter“ X”.That is SIJK...C/X..

